全國服務熱線:400-7362-588
產品與解決方案
山東成達新能源科技有限公司
- 分類:成功案例
- 作者:
- 來源:
- 發布時間:2013-11-29
- 訪問量:0
山東成達新能源科技有限公司
【概要描述】1.前言 本案例來源于我公司服務的山東成達新能源科技有限公司的重油催化裂化裝置電氣項目。由于主風機組在催化裂化中的關鍵作用,主風機組的控制和保護一直為人們所關注,尤其是大型軸流風機,其穩定工況區的限制既多又嚴,而且一旦故障,經濟損失慘重,所以軸流風機的控制和保護一直是自控設計中的重點和難點。 2.概要方案 該項目的電機為一臺14000KW的10KV電機,額定電流:914A。要求起動電流為額定
- 分類:成功案例
- 作者:
- 來源:
- 發布時間:2013-11-29
- 訪問量:0
1.前言
本案例來源于我公司服務的山東成達新能源科技有限公司的重油催化裂化裝置電氣項目。由于主風機組在催化裂化中的關鍵作用,主風機組的控制和保護一直為人們所關注,尤其是大型軸流風機,其穩定工況區的限制既多又嚴,而且一旦故障,經濟損失慘重,所以軸流風機的控制和保護一直是自控設計中的重點和難點。
2.概要方案
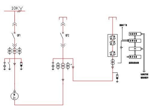
該項目的電機為一臺14000KW的10KV電機,額定電流:914A。要求起動電流為額定電流的2.5倍。拖動負載是油催化裂化項目主抽風機。客戶提到的保護功能有:高壓電源缺相,欠壓保護起動過流,起動超時,起動失載、晶閘管故障保護。其余要求:必須有標準RS-485通訊接口。二次控制電源為AC380/220V。產品顏色為:RAL7032。該公司最終選定的是我公司GGQ系列高壓固態軟起動裝置, 根據客戶要求我們擬定的一次方案圖如下:
率發電機組負載測試裝置。

3.總體方案及工作原理
總體方案是軟起柜(2200*1500*2300)和星點柜(1000*1500*2300)并柜,星點柜在右側,星點柜裝三只電流互感器(型號、變比與開關柜一致)做電動機差動保護用,軟起柜器單獨安裝一只電流互感器做軟起電流檢測使用,該套產品總尺寸為3200*1500*2300(寬*深*高)。
其工作流程如下:
運行柜斷路器QF1工位合閘,送起動信號給軟起柜,軟起柜接到起動信號,軟起柜執行軟起過程,起動過程中無異常情況送合閘指令給星點柜QF2合閘。星點合閘給出反饋信號至軟起柜,起動完畢。當起動出現異常時,在起動過程中跳運行柜,排除異常現象后,等待間隔時間后再重新按上述工作流程起車,直至軟起成功,軟起結束。
4.運行情況
自GGQ系列高壓固態軟起動裝置在該公司投入使用后,主抽風機各項運行參數都在正常范圍之內,電機實現了軟起動,減小了大電機起動對電網的沖擊,符合相關技術標準要求,減小了電機起動時產生的沖擊力,有效的延長了電機的壽命,滿足客戶提出的各項保護功能,風機故障率大幅降低,提高了設備運行的安全可靠性,設備維護工作量減少。
掃二維碼用手機看
熱門資訊
- 大禹電氣受邀參加陜鼓集團2025供給側戰略合作峰會——感恩合作、轉型發展、共贏共享、直到永遠 2025-05-26
- 尼日利亞前總統奧巴桑喬視察大禹電氣在尼投資企業 2025-05-07
- 孝感市市長吳慶華看望慰問全國勞模王怡華和大禹公司一線職工 2025-05-01
- 大禹電氣參與孝感高新區“中國夢?勞動美”健步行活動? 2025-04-26
- 標準決定質量,爭創標準領跑者——省市標準化工作領導到大禹調研 2025-04-25
榮譽資質
公司專業研發、設計、制造各種大中型電動機軟起動裝置、變頻調速節能裝置、電力系統功率補償裝置···
分享
